聯系我們   Contact
搜索   Search

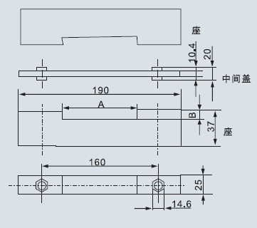
AMJ5單相雙槽母線夾

更新:2016-5-12 12:59:52      點擊:
  • 品牌:   
  • 型号:   
  • 市場(chǎng)價:    元
  • 優惠價:    元 (已有(yǒu) 0 人(rén)購買)
  • 在線訂購
産品介紹
産品編号:HCF004     名稱:AMJ5單相雙槽母線夾

更多(duō)産品